
根据《建筑设计防火规范GB50016-2014(2018年版)》5.1.1条:

住宅分为高层与单、多层民用建筑。

住宅项目中一类高层住宅,难度较大,体量较多,本文以一类高层住宅项目为例,进行详细的系统阐述。
1、项目建设地点为南方某市,一类高层住宅,地上26层,地下1层,建筑高度78.4m,建筑面积约1.3万方,绿色建筑等级一星级,屋面防水等级I级。
2、建筑首层层高5.4m,标准层层高2.9m,三合一前室+剪刀楼梯,每层四户住宅,一部客梯,一部无障碍担架电梯兼消防电梯,一处水井,一处电井,三合一前室一处风井,剪刀楼梯两处风井。
3、楼梯间为剪刀式防烟楼梯间,剪刀梯均采用加压送风,加压风机设在地下室,通往地下室的楼梯间为封闭楼梯间,首层设直通室外疏散门,满足自然通风。地上三合一前室与负一层消防电梯前室均采用机械加压送风,加压风机设在地下室。

根据《建筑设计防火规范GB50016-2014(2018年版)》,本项目消防用电负荷分级包括:消防电梯、消防风机、应急照明,均属于一级负荷。

根据《民用建筑电气设计标准GB51348-2019》附录A,本项目非消防用电负荷分级:
1、公共照明、电梯、弱电机房,排污泵、生活水泵:一级负荷。
2、住宅住户用电:三级负荷。


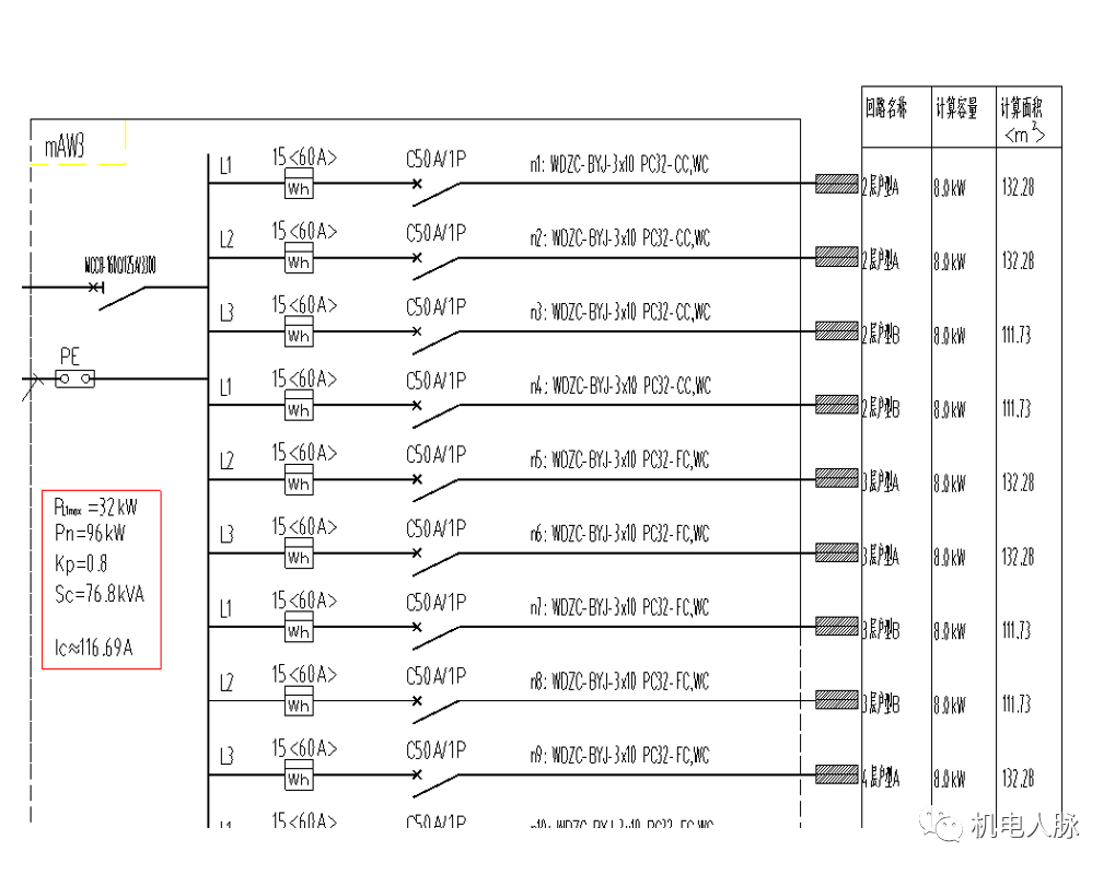
1、住宅用电采用每三层设置集中电表箱方案。集中电表箱设在中间层。
2、住宅供电干线采用电缆T接型式,系统型式为楼栋配电总箱至集中电表箱,集中电表箱至住户配电箱。
3、住宅每户用电指标按当地供电局要求,按面积区间分配安装功率。

1、住宅每户建筑面积大于60m2,进户线不应小于10mm2,照明和插座回路支线不应小于2. 5mm2。详《住宅建筑电气设计规范JGJ242—2011》6.4.6。

2、集中电表箱到住户配电箱的供电缆线在电井内线槽敷设至本层电井,再由本层电井穿管暗敷设至住户配电箱。
3、集中电表箱至住户配电箱的出线开关须采用断路器,规格按计算电流确定即可,且不应小于40A。

1、公共照明配电箱至末端灯具供电距离建议不超过70m,以确保短路故障时断路器短路分断的灵敏性,本工程分别在4层和16层设置公共照明配电箱,核心筒距离约10m。
2、公共照明为一级负荷,需采用双电源供电,本案例双电源开关箱设在地下室,再单电源供电给公共照明配电箱。此做法多数审图公司同意,有的审图公司要求末端配电箱切换。
3、公共照明回路在公共区域为暗敷设,采用PC管。即节省成本又隐蔽美观。


1、沿电气竖井垂直方向为不同楼层的灯具供电时,住宅建筑的供电范围不宜超过18层。防烟楼梯间应设置独立的应急照明配电箱。详《消防应急照明和疏散指示系统技术标准》。

2、本工程共设计两个应急照明配电箱,一个防烟楼梯间应急照明配电箱,设在13层;一个公共区域应急照明配电箱,设在11层。
3、应急照明配电回路采用两线制,电源和通讯功能兼用。
4、应急照明为一级负荷,需采用双电源供电,本案例双电源开关箱设在地下室,再单电源供电给应急照明配电箱。此做法多数审图公司同意,有的审图公司要求末端配电箱切换。

1、消防电梯电源共设计两个配电箱,一个是电源进线配电箱,属于建设方负责,负责机房用电与电梯供电;另一个是电梯专业厂家提供的配电箱,负责电梯与井道供电。
2、消防电梯为一级负荷,须双电源末端切换。
3、电梯配电箱需设置浪涌保护,虽然没有出屋面,但依然须设计II级浪涌保护。电梯厂家多年的运行经验建议安装浪涌保护器。

1、电梯电源共设计两个配电箱,一个是电源进线配电箱,属于建设方负责,负责机房用电与电梯供电;另一个是电梯专业厂家提供的配电箱,负责电梯与井道供电。
2、电梯为一级负荷,须双电源末端切换。
3、电梯配电箱需设置浪涌保护,虽然没有出屋面,但依然须设计II级浪涌保护。电梯厂家多年的运行经验建议安装浪涌保护器。
1、规范要求:向同一负荷供电的两回路电源电缆、应急照明和其他照明的电缆不宜敷设在同一层或同一个桥架内。


2、本工程太阳能、普通电梯、公共照明主干电缆及出线回路在线槽的一个分隔内。普通电梯备用电源电缆单独分隔。应急照明主干电缆及出线回路单独分隔。

3、消防电梯供电电缆为矿物绝缘电缆,电井内明敷设。
1、电井内开洞尺寸需预留足够,一般高层住宅强电预留洞不宜小于800mmx250mm。弱电预留洞不宜小于400mmx200mm。洞口需提资给建筑结构专业,并避开结构梁。
2、强电设备与弱电设备宜在电井两侧布置,由于电井尺寸有限,强电设备可以上下安装,弱电设备可以上下安装。
3、电井门尺寸不宜小于600mm,主要考虑进人与设备的空间需求。电井内各个配电箱须等电位联结。
