
项目是否设置柴油发电机,如果必须设置柴发,其机房如何合理设计?本文从相应的规范分析判断是否需要设置柴发,从典型柴发机房平面布置,阐述如何选择柴发及辅助设备。根据设备,结合规范和设计经验,合理设计柴发及其机房,供同行参考借鉴。
《民用建筑电气设计标准》GB51348-2019 3.3.3条
1.一级负荷中特别重要的负荷
2.设置自备电源比从电力系统取得第二电源更经济合理或第二电源不能满足一级负荷要求
3.当双重电源中的一路为冷备用且不能满足消防电源允许终端供电时间的要求。
4.建筑高度超过50m的公共建筑的外部只有一回电源不能满足用电要求
其他规范中要求设置柴发的建筑
1.150m及以上的超高层公共建筑的消防负荷
2.重要电力用户
3.A级数据中心
4.三级&二级医院
5.体育建筑
6.五级旅馆
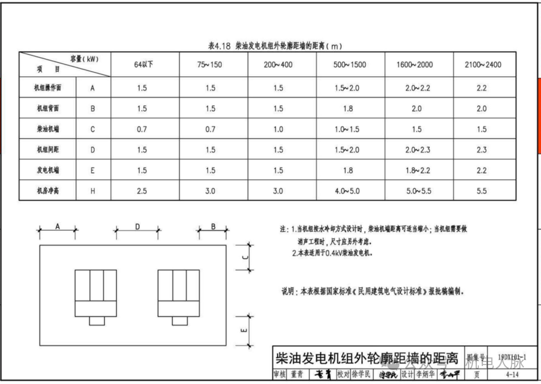
图1 柴油发电机房典型布置图设备选型
根据负荷等级及外电源情况确定是否需要设置自备应急电源 → 确定应急电源的种类及容量选择
系统设计
确定应急电源供配电系统
平面布置
确定应急电源机房位置、布置 → 向各专业提资

图2 一路市电加一路柴油发电机供电系统图
图3 双重市电加一路柴油发电机供电系统图
民用建的发电机房宜布置在首层或地下一二层;不应布置在人员密集场所的上一层、下一层或贴邻:应采用耐火极不低于2h的防火隔墙和1.5h的不燃性楼板与其他部分分隔,门应采用甲级防火门。
柴油发电机间、控制室长度大于7m时,应至少设两个出入口。(新规范强条)
机房内设置储油间时,应采用不低于3h的防火隔墙与发电机间分隔;确需在防火隔墙上开门时,应设置甲级防火门,并向发电机间开启。
单机容量大于500kW柴油发电机组宜设控制室,当单机容量不大于1000kW或总容量不大于1200kW时,发电机间、控制室及配电室可合并设置在同一房间。
发电机间、控制室及配电室不应设在厕所、浴室或其他经常积水场所的正下方或贴邻。
发电机间、贮油间宜做水泥压光地面,并有防止油、水渗入地面的措施,控制室宜做水磨石地面。
机房内的噪声应符合国家声标准规定,当机房声控制达不到要求时,应通过计算做消音、隔声处理。
机组基础应采取减振措施,当机组设置在主体建筑内或地下层时应防止与房屋产生共振现象。
柴油机基础应采取防油浸的设施,可设置排油污的沟槽。
机房内的管沟和电缆沟内应有0.3%的坡度和排水、排油措施,沟边缘应做挡油处理。
机房应有良好的采光和通风。在炎热地区,有条件时宜设天在热带风暴地区天窗应加挡风防雨板或设专用双层百叶。在北方及风沙较大的地区,应设有防止风沙进入的措施。
发电机间应满足搬运机组出入口,否则应预留吊装孔。
【给排水】
应符合柴油机产品的冷却水水质的技术要求。
柴油机采用闭式循环冷却系统是,应设置膨胀水箱,其装设位置应高于柴油机冷却水的最高水位。
冷却水泵,应为一机一泵,当柴油机自带水泵时,宜设1台备用泵。
机房内应设有洗手盆和落地洗涤槽。
【动力】
在燃油来源及运输不便时,宜在建筑物主体外设满足备用电源供电时间的贮油设施。
作为消防应急电源时,按柴油发电机运行3h设置燃油设施,机房内设置储油间时,其总储存量不应大于1m3。
一般按160~240h消耗量设置润滑油贮存装置。
日用燃油箱宜高位布置,出油口宜高于柴油机的高压射油泵。
卸油泵和供油泵可共用,应装电动和机动各1台,其容量按最大的卸油或供油量确定。
柴油发电机燃料供给管道在进入建物前和设备间内的管道上均应设置自动和手动切断阀;储油间的油箱应密闭且应设置通向室外的通气管,通气管应设置带阻火的呼吸阀,油箱的下部应设置防止油品流散的设施。
【采暖与通风】
宜利用自然通风排除发电机间内的余热,当不能满足工作地点的温度要求时应设机械通风装置。
当机房设置在高层民用建的地下层时应设防烟、排烟设施。
应考虑排除机房有害气体所需排风量。
机房内不应用明火取暖。
机房各房间的温湿度应符合产品要求。(冬季15~30℃,湿度30~60%;夏季30~35℃,湿度40~75%)
对安装自启动机组的机房,应保证满足自起动温度需要,当环境温度达不到起动要求时。应采用局部或整机预热装置。
非采暖地区可根据具体情况,采取适当措施加热。
【照明】
柴油发电机房应设置备用照明。
照度:发电机房200Lx;控制室300Lx;储油间50Lx;值班室300Lx;维修间100Lx。
【应急照明】
应急照明应满足维持正常照明50%的照度。
且连续供电时间不小于发电机工作时间要求。
【配电】
供配电系统应按消防负荷设计。
电缆采用耐火电缆,消防时不应切断电源。
【接地】
机房内的接地宜采用公用接地。
油箱间应采用防静电措施,柴油发电机组应采取接地措施。
【火警】
宜选用机组外形尺寸小、重量轻、辅助设备少的产品。注意机房高度和安装维修运输通道。
一般选用风冷式机组。需与土建及通风专业配合解决进出风和排烟通道。在进出风通道难以解决时可将散热器与主体分开,散热器置于室外(如屋顶),用水管将散热器和主体连通,通过冷却将热量带走。
注意机组安装地点的环境、气候、海拔高度等因素对机组容量的影响。根据产品技术条件取适当的修正系数。
当市电中断供电时单合机组应能自动启动并应在30s内向负荷供电。市电恢复后,延时自动停机。
当燃油来源及运输不便时宜在建筑物主体外设置40~64h耗油量的储油设施。
机房内应设置储油间,其总储量不应超过8h的燃油量,并应采取相应的防火措施。
与消防专业协商在满足消防用水的前提下尽量减少消防水泵的电机容量。
对功率较大的异步电机采用降压起动。
尽可能调整起动顺序。先起动大容量的设备,然后按顺序起动较小容量的设备,最后接入无冲击性的其他负荷。
